
309AA 风电冷却水管 10 bar (150 psi) - Supertuff 超耐磨

375AA 热水管 - 汽车加热器 10 bar (150 psi)

352AA 散热器管 5 bar (75 psi) exceeds DIN 73411 - SAE 20R1 D-2

395BT 热水冲洗管 40 bar (600 psi) EU 10/2011 A+B+C

350LE 食品级蒸汽管 6 bar (90 psi) - 热水管 15 bar (225 psi) FDA - arrêté du 09/11/94 D

354AA 蒸汽管6 bar(90 psi) - EN ISO6134/1A

350AA 蒸汽管 6 bar (90 psi)-热水管 15 bar (225 psi)

340AA 蒸气管 18 bar (270 psi) 钢丝编织

340AH 蒸气管 18 bar (270 psi) 钢丝编织

310AH 蒸气管 17 bar (250 psi) -内置螺旋钢丝增强

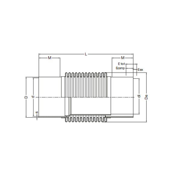
不锈钢轴向膨胀节 - Multi-Ply Stainless Steel Axial Expansion Joint with weld-on ends

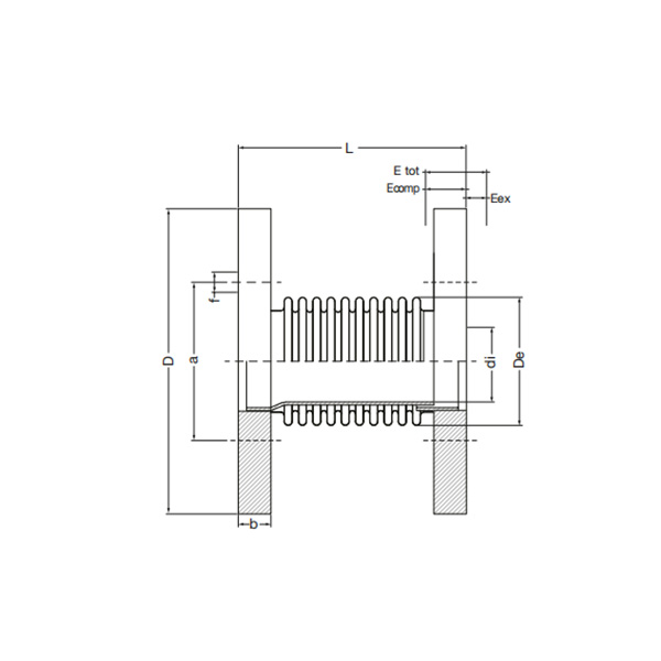
法兰不锈钢金属膨胀节 - Multi-Ply Stainless Steel Axial Expansion Joint with UNI flanges

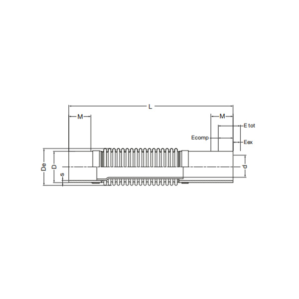
带焊接端的轴向膨胀节 - Multi-Ply Axial Expansion Joint with with weld-on ends for Residential and Industrial

AG - SITEF 99DMM - 平行波纹管 - AISI 316L 一层AISI 304编织

AG - SITEF 99EMM - 平行窄边波纹管 - AISI 316L 一层AISI 304编织
省心省力,一站购齐
选型询价,快速响应
多仓直发,货期无忧
正品保障,诚信服务