您好,欢迎来到Tiger Flex 上海沣峻流体科技有限公司,致力于为客户“量身定制”系统的管路解决方案
首页 | 关于我们 | 联系方式 | 客服热线:021-58400374
客户服务热线021-58400374
您现在的位置是:首页 >> 新品推荐

全部产品

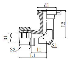
90°弯公制螺纹卡套式/重系列法兰ISO6162-2 1DS9

90°弯公制螺纹卡套式/重系列法兰ISO6162-2 1DS9

90°弯公制螺纹卡套式/重系列法兰ISO6162-2
90°ELBOW METRIC MALE BITE TYPE/H-SERIES
FLANGE ISO 6162-2

品类齐全

省心省力,一站购齐

一对一客服

选型询价,快速响应

货期保障

多仓直发,货期无忧

正品货源

正品保障,诚信服务

版权所有© Copyright © 2023 Tiger Flex Allright Reserved. 沪ICP备19024890号
Tiger Flex上海沣峻流体科技有限公司,致力于为客户“量身定制”系统的管路解决方案
永华标准接头宁波永华接头永华标准接头批发上海进口PVC进口化工管阿法格玛橡胶不含塑化剂进口食品管pe管pe耐化学软管耐溶剂软管Alfagomma阿法格玛授权代理商意大利Alfagomma阿法格玛工业管阿法格玛中国区工业管总代理阿法格玛橡胶